CN EN
菜单

阿里巴巴店铺:https://cdsand.1688.com

产品名称:PT1276B系列 高温熔体压力变送器

产品简介:        PT1276B系列(直杆/柔性软管) 高温熔体压力变送器,主要用于对熔体、流体、气体等高温介质的压力测量。已经广泛应用于塑料、橡胶、挤出设备、化纤纺机、无纺布、非织造布、聚酯、石油化工等行业。具有准确度高、稳定性好、性价比高、抗干扰性强等优点。零点满度方便调节、内部80%校验,标准模拟信号直接输入PLC,或配套我公司生产的数字压力仪表PS1016PS4810PS4812PS600 PS9016压控仪)可实现对压力的显示、报警、信号远传、通讯与控制。
性能指标:        1.压力量程:0~1.5MPa~150MPa之内任选(推荐5MPa以上见5递增,40MPa以上见10递增);
       2.准 确 度 :±1.0%FS;
       3.工作电源:24VDC   (15~36V DC),2线制4~20mA电流输出型 (9~36V DC);
       4.输出信号:0~5V、1~5V、0~10V、0~20mA、4~20mA;
       5.探头耐温:400℃、750℉;
       6.温      漂:≤0.3MPa/100℃;
       7.电气连接:采用通用型6芯(SD02106)接插件连接;
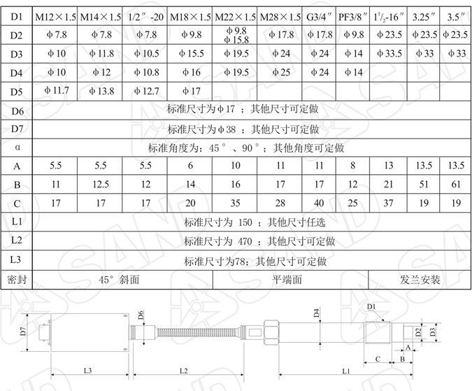
       8.机械连接:采用M22×1.5,另可提供M28×1.5、G3/4"、PF3/8"等平面密封螺纹安装尺寸;
       9.防腐耐磨涂层:适用于高浓度粗糙介质的压力测量,可提高使用寿命3~5倍(可选);
      10.特殊要求者可定做,交货期7~15个工作日。
型号格式说明:

PT系列高温熔体压力变送器规格型号即订货格式说明:

产品规格型号及订货格式-示例说明:

       示例1:PT1276B-35MPa-M22-150/470-4~20mA

       说明1:产品型号PT1276B系列高温熔体压力变送器;

                   压力量程:0~35MPa;

                   探头安装螺纹:公制M22*1.5;

                   直杆/软管尺寸:150mm/470mm;

                   输出信号:4~20mA;

                   其他默认参数:采用6芯接插件、精度等级1.0%FS、校准80%FS、供电24VDC (15~36V DC)。


PT系列高温熔体压力变送器 外形尺寸:


    尺寸说明:

    1. L1(直杆长度)标准尺寸150mm,最短为60mm,最长为600mm;

        L2(软管长度)标准尺寸470mm,最短为100mm,最长为1500mm 。         

    2. D2(探头膜片外径)最小可做到Ф8。

    3. L1(直杆长度)、L2(软管长度)订货以10mm取整数。


PT系列高温熔体压力变送器 安装孔开孔尺寸:



PT系列 高温熔体压力变送器常用型号与安装螺纹对应关系:

PT1236B系列高温熔体压力变送器对应:1/2"-20UNF安装螺纹;
PT1246B系列高温熔体压力变送器对应:默认M14×1.5安装螺纹,另有M12×1.5、M18×1.5等45°斜面密封螺纹(可选)
PT1276B系列高温熔体压力变送器对应:默认M22×1.5安装螺纹,另有M20×1.5、M28×1.5、G3/4"、PF3/8"等平面密封螺纹(可选)



PT系列高温熔体压力变送器 接线示意图:

    图1. 两线制4~20mA电流输出型:

   


图2. 线制电压或电流输出型(电压:0-10V/0-5V/1-5V   电流:4-20mA/0-20mA):

PT1116B系列高温熔体压力变送器


PT系列高温熔体压力变送器 输出信号调节方式:

PT111B系列 高温熔体压力变送器

 说明:

  1.高温熔体压力变送器装机预热15分钟后,确认管道压

力为0,如果显示的压力不是0,调凸起的Z一字螺丝,

使得显示刚刚变为零即可。(逆时针方向调大)

  2.注意凸起的F一字螺丝一般不能调节除非确定压力

不准,在有标准压力源的情况下可以调节。


Alibaba官方店铺   |   Http://cdsand.1688.com